Zum Hauptinhalt springen

Heintz Tankarmaturen

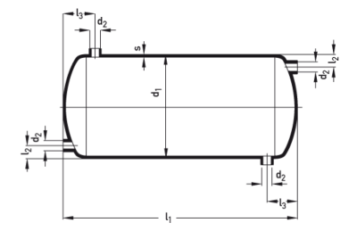
Gefäße

Gefäße

Gefäße

Bei uns erhalten Sie Gefäße / Behälter nach Ihren Anforderungen.

Fragen Sie an.

Wir führen auch Ausdehnungsgefäße für offene Anlagen.

Wir liefern Tank-Armaturen für Ihr Tanksystem

Kontaktieren Sie uns

Wir suchen Ihnen die passenden Ersatzteile heraus. Wir benötigen nur die BAM / PA-VI oder Z-Nummer, diese finden Sie auf dem Tank. Sie können uns auch einfach ein Bild des Tanks bzw. der ganzen Anlage zusenden.